
[ESP]
¿Qué es un Puente Rectificador?
Un puente rectificador es un circuito electrónico que se utiliza para convertir corriente alterna (CA) en corriente continua (CC) con otros componentes que vamos a ir viendo a lo largo de este blog.
Está compuesto por cuatro diodos dispuestos en una configuración específica que permite la rectificación de la onda senoidal de CA.

Este componente es crucial en numerosas aplicaciones electrónicas, especialmente en las fuentes de alimentación de dispositivos que requieren CC para funcionar.
¿Cómo se Usa un Puente Rectificador?
El puente rectificador toma una entrada de CA, que en el grafico anterior lo identificamos como Vin, si no recuerdan como era una onda de CA pueden volver a mi perfil para repasar CA y CC y lo que hace es convertir el semiciclo negativo de la onda senoidal, al lado positivo, quedándonos una onda como se ve en la siguiente imagen.

Los cuatro diodos en el puente se conectan de tal manera que dos diodos conducen en el ciclo positivo de la onda de CA y los otros dos conducen en el ciclo negativo. Esto asegura que, sin importar la polaridad de la entrada de CA, la salida siempre mantenga la misma polaridad, resultando en una forma de onda de CC pulsante.
Diferentes Tipos de Puentes Rectificadores
Puente de Diodos Básico: El tipo más común y sencillo, utilizado en muchas aplicaciones estándar de rectificación.
Puente de Diodos de Alta Frecuencia: Utilizado en fuentes de alimentación conmutadas y otras aplicaciones que requieren conmutación rápida.
Puente de Diodos de Potencia: Diseñado para manejar mayores corrientes y voltajes, utilizado en aplicaciones industriales y de alta potencia.

Rectificación de una Onda Senoidal con Puentes Rectificadores
Como habíamos dicho anteriormente, durante la rectificación, el puente convierte la onda senoidal de entrada de CA ,en una onda de CC pulsante. Este proceso implica que durante el ciclo positivo de la CA, dos diodos (D1 y D2) conducen, permitiendo que la corriente fluya a través de la carga en una dirección. Durante el ciclo negativo, los otros dos diodos (D3 y D4) conducen, manteniendo la dirección de la corriente en la carga. El resultado es una corriente continua pulsante en la salida del puente.

¿Qué es un Transformador?
Un transformador es un dispositivo eléctrico que cambia el nivel de voltaje de una corriente alterna. Funciona mediante el principio de inducción electromagnética, donde dos bobinas de alambre (primario y secundario) están enrolladas alrededor de un núcleo común. El voltaje inducido en la bobina secundaria depende de la relación de espiras entre las dos bobinas.

Tipos de Transformadores y Sus Usos
Transformadores Elevadores: Aumentan el voltaje de entrada y se utilizan en aplicaciones donde se requiere un voltaje mayor que el disponible.

Transformadores Reductores: Disminuyen el voltaje de entrada, comúnmente utilizados en adaptadores de corriente y fuentes de alimentación.

Transformadores de Aislamiento: Mantienen el mismo nivel de voltaje entre el primario y el secundario, utilizados para aislar eléctricamente diferentes partes de un circuito.

Transformadores Toroidales: Con forma de toroide, ofrecen alta eficiencia y menor interferencia electromagnética, utilizados en aplicaciones sensibles a ruidos eléctricos.

Transformadores de Impulso: Diseñados para aplicaciones de alta frecuencia y comunicación, proporcionando pulsos rápidos de energía.

Conservación de la Potencia
La ley de conservación de la potencia (W de Watts) establece que la potencia total en un sistema cerrado permanece constante. En el contexto de transformadores y rectificadores, esto significa que la potencia en el lado primario de un transformador será igual a la potencia en el lado secundario, excluyendo las pérdidas debidas a la eficiencia del transformador. La potencia se calcula como el producto del voltaje y la corriente, de acuerdo con la Ley de Watts.

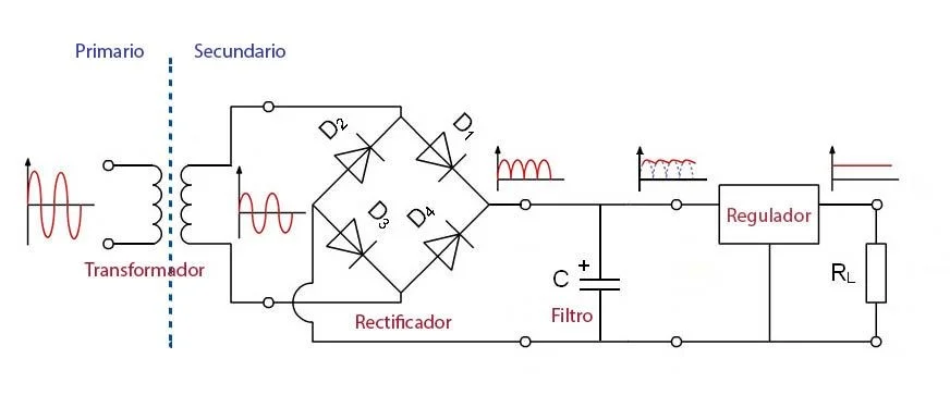
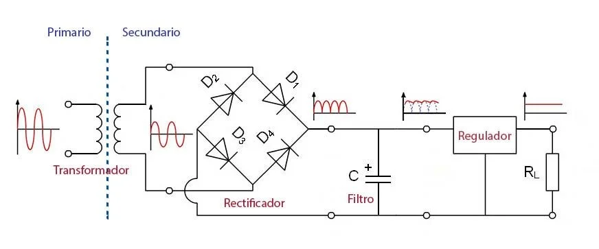
Funcionamiento Conjunto de Puente Rectificador y Transformador
Cuando se combina, un transformador y un puente rectificador pueden convertir eficazmente la corriente alterna de alto voltaje de la red en corriente continua de bajo voltaje adecuada para dispositivos electrónicos. El proceso es el siguiente:
- Transformador: Ajusta el nivel de voltaje de la CA a un nivel adecuado. Por ejemplo, de 220V CA a 12V CA.
- Puente Rectificador: Convierte la CA de bajo voltaje en CC. La salida de bajo voltaje del transformador se alimenta al puente rectificador, que convierte esta salida de CA en CC.
- Filtrado con Capacitores y Bobinas: Después del puente rectificador, se utilizan capacitores para suavizar las ondulaciones en la señal de CC resultante. Las bobinas (inductores) pueden ser usadas para mejorar el filtrado, reduciendo el rizado en la salida de CC.
Reguladores de Voltaje: A continuación, los reguladores de voltaje aseguran que la salida de CC sea constante y estable, eliminando cualquier fluctuación residual y proporcionando una corriente continua limpia y segura para el dispositivo final.

Para concluir
El puente rectificador y el transformador son pilares esenciales en la conversión de energía eléctrica, transformando la corriente alterna de la red en corriente continua que utilizan nuestros dispositivos electrónicos. Con el apoyo de componentes adicionales como capacitores, bobinas y reguladores de voltaje, no solo se logra esta conversión, sino que también se acondiciona la energía, garantizando que sea adecuada y segura para su uso. La correcta comprensión y aplicación de estos elementos son vitales para diseñar circuitos electrónicos eficientes y confiables. En el próximo blog, profundizaremos en cómo optimizar estos sistemas y exploraremos innovaciones emergentes en el campo de la electrónica. ¡No te lo pierdas!
[ENG]
What is a Bridge Rectifier?
A bridge rectifier is an electronic circuit that is used to convert alternating current (AC) into direct current (DC) with other components that we are going to see throughout this blog.
It is composed of four diodes arranged in a specific configuration that allows rectification of the AC sine wave.

This component is crucial in numerous electronic applications, especially in power supplies for devices that require DC to operate.
How is a Bridge Rectifier Used?
The bridge rectifier takes an AC input, which in the previous graph we identified as Vin, if you don't remember what an AC wave was like, you can go back to my profile to review AC and DC and what it does is convert the negative half cycle of the sine wave, to the positive side, leaving us with a wave as seen in the following image.

The four diodes in the bridge are connected in such a way that two diodes conduct in the positive cycle of the AC wave and the other two conduct in the negative cycle. This ensures that, regardless of the polarity of the AC input, the output always maintains the same polarity, resulting in a pulsating DC waveform.
Different Types of Rectifier Bridges
Basic Diode Bridge: The most common and simplest type, used in many standard rectification applications.
High Frequency Diode Bridge: Used in switching power supplies and other applications requiring fast switching.
Power Diode Bridge: Designed to handle higher currents and voltages, used in industrial and high power applications.

Rectification of a Sine Wave with Rectifying Bridges
As we had said before, during rectification, the bridge converts the AC input sine wave into a pulsating DC wave. This process implies that during the positive AC cycle, two diodes (D1 and D2) conduct, allowing current to flow through the load in one direction. During the negative cycle, the other two diodes (D3 and D4) conduct, maintaining the direction of the current in the load. The result is a pulsating direct current at the output of the bridge.

What is a Transformer?
A transformer is an electrical device that changes the voltage level of an alternating current. It works using the principle of electromagnetic induction, where two coils of wire (primary and secondary) are wound around a common core. The voltage induced in the secondary coil depends on the turns ratio between the two coils.

Types of Transformers and Their Uses
Step-up Transformers: They increase the input voltage and are used in applications where a voltage higher than that available is required.

Step Down Transformers: Step down the input voltage, commonly used in power adapters and power supplies.

Isolation Transformers: They maintain the same voltage level between the primary and secondary, used to electrically isolate different parts of a circuit.

Toroidal Transformers: Shaped toroid, they offer high efficiency and lower electromagnetic interference, used in applications sensitive to electrical noise.

Impulse Transformers: Designed for high frequency and communication applications, providing fast pulses of energy.

Power Conservation
The law of conservation of power (W for Watts) states that the total power in a closed system remains constant. In the context of transformers and rectifiers, this means that the power on the primary side of a transformer will be equal to the power on the secondary side, excluding losses due to the efficiency of the transformer. Power is calculated as the product of voltage and current, according to Watts' Law.

Joint Operation of Bridge Rectifier and Transformer
When combined, a transformer and bridge rectifier can effectively convert high-voltage alternating current from the grid into low-voltage direct current suitable for electronic devices. The process is the following:
- Transformer: Adjusts the AC voltage level to a suitable level. For example, from 220V AC to 12V AC.
- Bridge Rectifier: Converts low voltage AC to DC. The low voltage output of the transformer is fed to the bridge rectifier, which converts this AC output to DC.
- Filtering with Capacitors and Coils: After the bridge rectifier, capacitors are used to smooth out the ripples in the resulting DC signal. Coils (inductors) can be used to improve filtering, reducing ripple on the DC output.
Voltage Regulators: Next, voltage regulators ensure that the DC output is constant and stable, eliminating any residual fluctuations and providing a clean and safe direct current for the end device.

In conclusion
The bridge rectifier and the transformer are essential pillars in the conversion of electrical energy, transforming the alternating current from the network into direct current used by our electronic devices. With the support of additional components such as capacitors, coils and voltage regulators, not only is this conversion achieved, but the power is also conditioned, ensuring it is suitable and safe for use. The correct understanding and application of these elements are vital to designing efficient and reliable electronic circuits. In the next blog, we will delve into how to optimize these systems and explore emerging innovations in the field of electronics. Do not miss it!
Greetings @profwhitetower ,
Thank you for the English translation...appreciate the technical information and illustrations.
You are too kind...thank you for the reblogs of bleujay's posts...very kind of you.
Keep up the good work.
Caio/Cheers!
Thanks a ton for your comment! I’m super happy you found the info and illustrations helpful. It’s awesome to share stuff like this. Your support and kind words mean a lot!
Thanks for following our posts and the encouragement! We’ll keep bringing you more cool content.
we are reading
Has sido votado por
PROYECTO ENLACE
'Conectando Ideas y Comunidades'
PROYECTO ENLACE es un proyecto de curación de habla hispana enfocado en recompensar contenido de calidad y apoyar autores en su proceso de crecimiento en HIVE.
Creemos y apostamos por el futuro de esta gran plataforma, y estamos muy emocionados de poder hacerla crecer junto a esta comunidad. Así que te invitamos a publicar en nuestra COMUNIDAD y estar atento a todas las actividades que tenemos preparadas y que estaremos publicando en breve.
¿QUIERES AUTOMATIZAR TUS GANANCIAS DE CURACIÓN? SE PARTE DEL PROYECTO ENLACE APOYANDO A NUESTRO TRAIL EN HIVE.VOTE INGRESA AQUÍ PARA CONOCER LOS DETALLES.
¿QUIERES INVERTIR ENLACE? DESCUBRE COMO HACERLO Y GENERAR INGRESOS DE FORMA SEMANAL MEDIANTE TU DELEGACIÓN DE HP AQUÍ TE EXPLICAMOS COMO.
Te invitamos a participar en nuestro servidor de Discord: https://discord.gg/3S9y7BbWfS
Atentamente
EQUIPO ENLACE 2024
Muchisimas gracias, obvio que ya me uni a la comunidad
Congratulations @profwhitetower! You have completed the following achievement on the Hive blockchain And have been rewarded with New badge(s)
Your next target is to reach 400 upvotes.
Your next target is to reach 300 upvotes.
You can view your badges on your board and compare yourself to others in the Ranking
If you no longer want to receive notifications, reply to this comment with the word
STOP